Electrical Wiring Diagram Of Diesel Generator Pdf : Electrical Wiring Diagram Of Diesel Generator : Variety of kubota wiring diagram pdf.

Electrical Wiring Diagram Of Diesel Generator Pdf : Electrical Wiring Diagram Of Diesel Generator : Variety of kubota wiring diagram pdf.. Since the use of this diagram and the conditions or methods of installation, operation and use are beyond the Ats wiring diagram for diesel generator pdf.a ampere ampere meter a alarm a output apc a analog digital a logic steady signal for auto sqc a analysis a1 auto comm. This manual does not cover diesel engine and alternator maintenance procedures. 4 fill the tank with diesel. A wiring diagram is a streamlined standard photographic representation of an electric circuit.

Diesel engine exhaust and some of its. Refer to the wiring diagram supplied with the generator. 1 generator specifications 1 general this specification covers diesel engine driven electric generating. Give the manual to the set owner. The diesel generator wiring diagram found at alibaba.com are advanced power sources that generate the required electric energy for various usage.

Small diesel generators wiring diagrams
Small diesel generators wiring diagrams from www.nomaallim.com
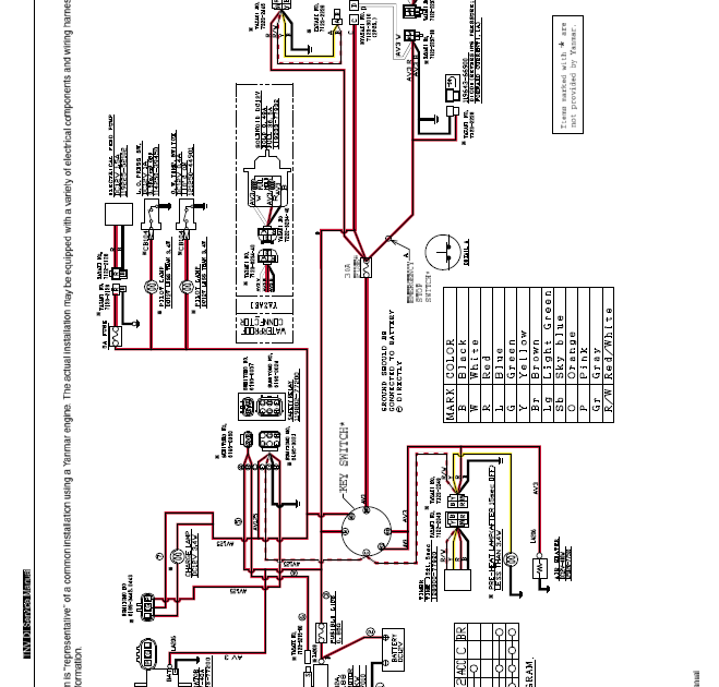
Kubota generator wiring diagram valid kubota wiring diagram pdf. 1 generator specifications 1 general this specification covers diesel engine driven electric generating. Assortment of generator wiring diagram and electrical schematics pdf. Refer to controller identification for controller type identification, if necessary. Diesel generator with controllertm mmg130di4 • mmg175di4 • mmg205di4. Pdf documents a format that enables a document to be distributed on different systems while preserving the layout. A wiring diagram is a streamlined standard photographic representation of an electric circuit. Onan emerald 1 genset wiring diagram.

If the generator is started without diesel, it will need to be primed again once filled with diesel.

4 fill the tank with diesel. Kubota generator wiring diagram valid kubota wiring diagram pdf. Click on the image to enlarge, and then save it to your computer by right clicking on the image. Type on the wiring diagrams reference chart to determine the wiring diagram numbers for your unit. Give the manual to the set owner. Gec/2/2/2/310 renfe locomotive bogie arrangements. The above illustrated diesel generator control panel wiring diagram is the typical connection wiring diagram of the bek3 automatic mains failure controller. Diesel engine exhaust and some of its. The diesel generator wiring diagram found at alibaba.com are advanced power sources that generate the required electric energy for various usage. Wiring diagram creator 2 circuit diagram symbols •. 6.3 electrical 7 electrical 7.1 first aid for electric shock. Click for cat control panel sys operation and testing, 208 pages. Diesel generator with controllertm mmg130di4 • mmg175di4 • mmg205di4.

Operation and service manual truck refrigeration unit. 4 fill the tank with diesel. Variety of kubota wiring diagram pdf. Diesel generator with controllertm mmg130di4 • mmg175di4 • mmg205di4. Onan emerald 1 genset wiring diagram.

Diesel Generator Control Panel Wiring Diagram (With images ...
Diesel Generator Control Panel Wiring Diagram (With images ... from i.pinimg.com
4 fill the tank with diesel. Kubota generator wiring diagram valid kubota wiring diagram pdf. Ii warning california proposition 65 warning: This manual does not cover diesel engine and alternator maintenance procedures. Bils 10003 rev f 4 introduction thank you for purchasing. Al wiring diagram ef4500ise and ef6300ise generators wiring diagram eld6500s diesel generators wiring diagram. A wiring diagram is a simplified traditional photographic representation of an electric circuit. Since the use of this diagram and the conditions or methods of installation, operation and use are beyond the

The generator will not run without being filled first.

Type on the wiring diagrams reference chart to determine the wiring diagram numbers for your unit. Cummins an generator wiring diagram beautiful an generator model. A wiring diagram is a simplified traditional photographic representation of an electric circuit. Kubota generator wiring diagram valid kubota wiring diagram pdf. Gec/2/2/2/308 diagram of connections and wiring diagrams for a diesel electric shunting locomotive. Diesel engine exhaust and some of its. Refer to controller identification for controller type identification, if necessary. Electrical wiring diagram of diesel generator and ford. 1 generator specifications 1 general this specification covers diesel engine driven electric generating. Since the use of this diagram and the conditions or methods of installation, operation and use are beyond the Bils 10003 rev f 4 introduction thank you for purchasing. 6.3 electrical 7 electrical 7.1 first aid for electric shock. Connecting the current transformers after the mains and generator changeover will allow you to read and monitor the current when the load is connected to the power utility.

6.3 electrical 7 electrical 7.1 first aid for electric shock. Variety of kubota wiring diagram pdf. It reveals the components of the circuit as streamlined forms, and the power and also signal connections in between the gadgets. Click on the image to enlarge, and then save it to your computer by right clicking on the image. Posted on october 18, 2019 by johnson.

12+ Electrical Wiring Diagram Of Diesel Generator - Wiring ...
12+ Electrical Wiring Diagram Of Diesel Generator - Wiring ... from wiringg.net
Variety of kubota wiring diagram pdf. Gec/2/2/2/309 motor and trailer bogie details for electric locomotives. Pdf documents a format that enables a document to be distributed on different systems while preserving the layout. Find generator transfer switch kits at lowe's today. Type on the wiring diagrams reference chart to determine the wiring diagram numbers for your unit. February 8 2019 in an effort to help the electrical industry make a smooth transition into the new electrical code and ensure the continuity in the performance of electrical work the department of buildings will be posting code interpretations on its website. Consult the engine and the alternator operation and maintenance manuals. Ii warning california proposition 65 warning:

The above illustrated diesel generator control panel wiring diagram is the typical connection wiring diagram of the bek3 automatic mains failure controller.

Korics is a company that dreams come true and respects your thoughts. Electrical wiring diagram of diesel generator pdf, electrical wiring diagram of diesel generator. 4 fill the tank with diesel. Consult the engine and the alternator operation and maintenance manuals. Assortment of generator wiring diagram and electrical schematics pdf. Type on the wiring diagrams reference chart to determine the wiring diagram numbers for your unit. Generator set schematic, wiring diagram, 4 pages. Wiring diagram is a schematic drawing of the wiring of an electrical system. Click on the image to enlarge, and then save it to your computer by right clicking on the image. If the generator is started without diesel, it will need to be primed again once filled with diesel. Gec/2/2/2/309 motor and trailer bogie details for electric locomotives. Find generator transfer switch kits at lowe's today. The above illustrated diesel generator control panel wiring diagram is the typical connection wiring diagram of the bek3 automatic mains failure controller.